|什么是过电流保护、电流速断保护、差动保护和单相接地保护?

文章图片

文章图片

文章图片

文章图片

文章图片

文章图片

文章图片

文章图片

讲到电力系统继电保护装置 , 想必大部分电气人员再熟悉不过 , 但是对于一个电气初学者来说就可能一问三不知了 。 电力系统继电保护是为了电力系统能够安全运行 , 有效率地提高经济手段 。 继电保护装置运行时可靠性指标的定义和计算与电力系统可靠性指标计算 , 继电保护装置的评价 , 使用 , 完善与发展等密切相关 。 而确定继电保护装置运行状态的内涵则是一个十分关键的环节 。 过去对于继电保护装置运行状态的定义是否能正确而合理地反映继电保护装置的性能是一个值得进一步深入探讨的重要问题 。 那么在电力系统继电保护装置中 , 具体什么是过电流保护、电流速断保护、差动保护和单相接地保护呢?下面本文就给大家详细地介绍一下 , 希望能给电气初学者们涨涨电气知识!
1、什么是继电保护装置?
2、什么是过电流保护?
3、什么是电流速断保护?
【|什么是过电流保护、电流速断保护、差动保护和单相接地保护?】
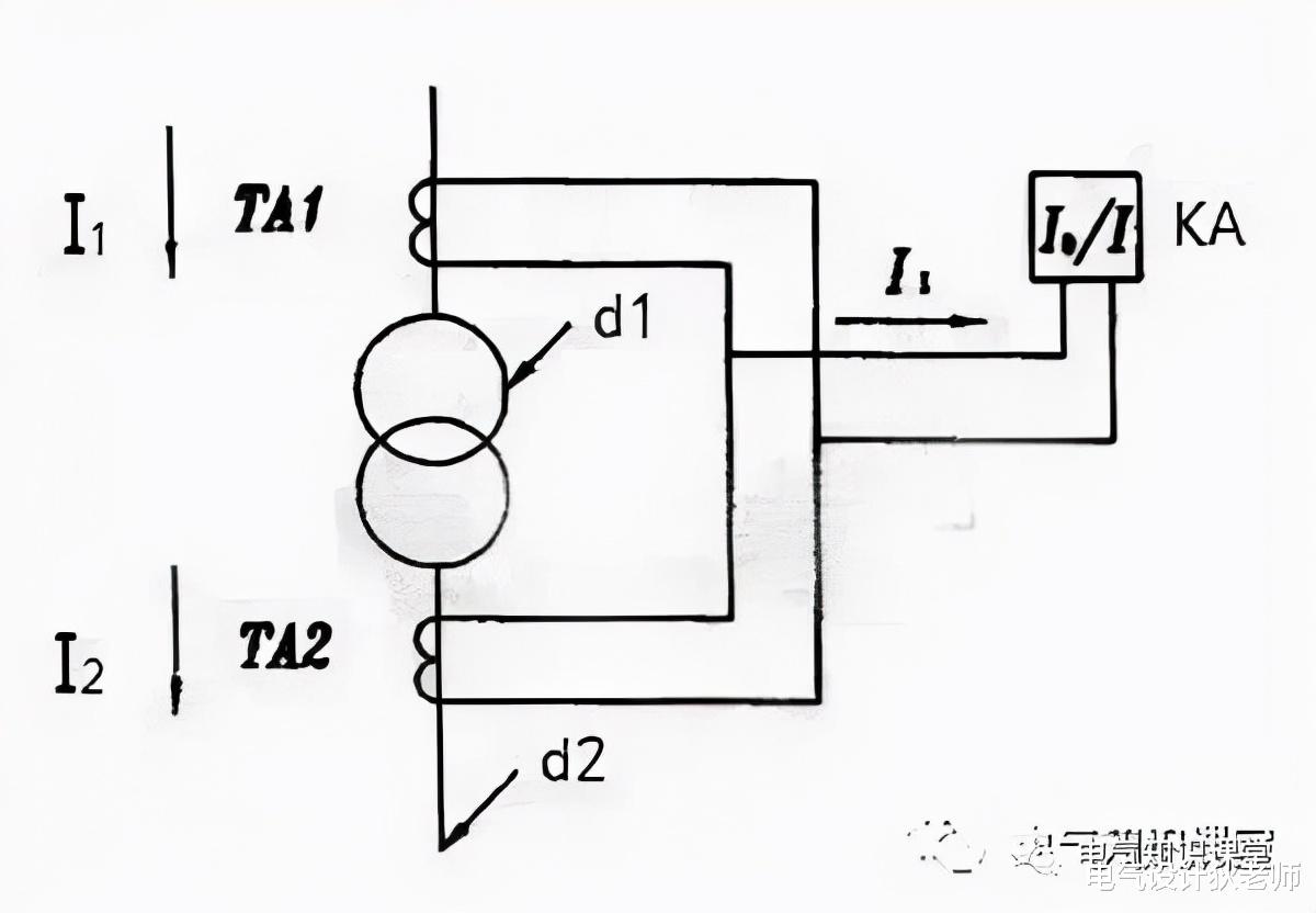
4、什么是差动保护?
5、什么是单相接地保护?
- 阿里巴巴|互联网巨头纷纷入局: 阿里、腾讯、字节都抢着卖衣服, 一出手就是几十个亿
- 小米|小米手环7被曝电池容量翻倍:续航问题成为过去式
- 三星s22|三星S22性能解锁来了!韩版已开始推送,国行什么时候呢?
- 苹果|年收入增长900亿元!台积电成苹果芯片过渡最大受益者
- 苹果|AppStore崩了 苹果回应是系统维护:实测目前所有App已完全恢复
- 小米科技|因为购机之前真心觉得小米便宜,但是买了之后,体验无比糟糕
- 显示器|经历了五个测试版后, ios 15. 4RC的变化还是挺明显的!
- 本文转自:中国网2021极狐星球派对的成功举办获得了到场观众的一致好评!这系列活动是极狐...|一年时间品牌知名度提升到行业前八名?北汽极狐4亿营销
- 高通骁龙|这款骁龙870机型才是真爱,1.5K即可入手,还有144Hz+大电池
- 零售业|三星嘲讽苹果被坐实,海外网友的互动才是亮点
