
文章图片

文章图片

1.典型直流稳压电路
稳压二极管主要用来构成直流稳压电路这种直流稳压电路结构简单 , 稳压性能一般 。 图所示是稳压二极管构成的典型直流稳压电路 。 电路中 , VD1是稳压二极管 , Rl是VD1的限流保护电阻 。 未经稳定的直流工作电压+V通过R1加到稳压二极管上 , 由于+V远大于VD1稳压值 , 所以VD1进入工作状态 , 其两端得到稳定的直流电压 , 作为稳压电路的输出电压 。
2.串联型稳压电路
在此电路中 , 串联稳压管 , BG的基极被稳压二极管D钳定在13V , 那么其发射极就输出恒定的12V电压了 。 这个电路在很多场合下都有应用 。
3.温度补偿
稳压二极管在温度补偿电路利用的是稳压二极管的温度系数 , 用温度互补型稳压二极管构成的稳压电路 , 采用互补型稳压二极管对于稳压要求较高的电路当中 , 特别是温度对电压的影响 , 这种具有温度互补特性的稳压二极管内部其实有两只普通的稳压二极管 , 但是它们的温度特性相反 , 当温度升高或下降时 , 一只二极管的管压降下降 , 另一只二极管的管压降升高 , 这样两只二极管总的管压降保持不变 , 起到到温度补偿作用 。
4.电子滤波器
电子滤波器中的稳压二极管应用电路 。 电路中 , VD1是稳压二极管 , VT1是电子滤波管 , C1是VT1基极滤波电容 , R1是VT1偏置电阻 。 在稳压二极管导通后 , 将VT1基极电压稳压在13V , 根据三极管发射结导通后的结电压基本不变特性可知 , 这时VT1发射极直流输出电压也是稳定的 , 达到稳定直流输出电压的目的 。
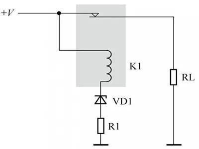
5.浪涌保护电路
稳压二极管构成的浪涌保护电路 。 电路中 , K1是继电器 , VD1是稳压二极管 , Rl是限流保护电阻 , RL是负载电阻 。 当工作电压+V没有浪涌出现时 , +V电压没有高到足以使稳压二极管VD1导通的程度 , 这时VD1截止 , 没有电流流过继电器K1 , K1的触点保持接通状态 , +V通过继电器触点为负载RL正常供电 。 当工作电压+V出现浪涌时 , 由于电压升高 , 稳压二极管VD1导通 , 这时有电流流过继电器K1 , K1的触点断开 , 电压+V不能通过继电器触点为负载RL供电 , 达到保护负载RL的目的 。
【继电器|稳压二极管的几种电路应用】
- 继电器|大头哥发过来的炸弹机告诉了我们什么道理
- sm|1N4007和SM4007系列的二极管区别是什么
- 华为mate50|选择肖特基二极管时需要注意这几点
- |正反向偏置在二极管电路中的应用
- PG电电子二极管的游戏平台工作原理和作用
- |白光钙钛矿发光二极管制备成功
- YX741X可调式减压稳压阀-上海奇众阀门制造有限公司
- 本文转自:科技日报科技日报记者 吴长锋记者25日从中国科学技术大学获悉|我国科学家成功制备白光钙钛矿发光二极管
- 电池|如何区分贴片稳压二极管?
- 音箱|常见稳压器的优缺点有哪些?
